【机情无限 精彩毕设】机械2021届毕业设计(论文)中期检查优秀案例分享第八期
《汽车操稳性计算仿真与评价》
学生姓名:薛竹婷
班学生级:车辆2017-03班
指导教师:刘平
毕设题目:汽车操稳性计算仿真与评价

一、概况
1.选题意义
汽车的操纵稳定性包含相互联系的两个部分,一是操纵性,一是稳定性 操纵性是指汽车能够确切地响应驾驶员转向指令的能力,稳定性是指汽车受到外界挠动(路面挠动或突然阵风挠动)后恢复原来运动状态的能力。
汽车的操纵稳定性不仅影响到汽车驾驶的操纵方便程度,而且也是决定高速汽车安全行驶的一个主要性能。随着社会经济的发展和汽车科学技术的进步,公路交通呈现出行驶高速化、车流密集化和驾驶员非职业化的趋势。频繁的交通事故使公路的交通安全成为社会广泛关注的问题。因此,汽车的操纵稳定性越来越受到汽车设计者的重视,成为现代汽车的重要使用性能之一。
2.任务分解
1)查阅文献,翻译外文文献。通过对现有的国内外汽车操纵稳定性试验方法和标准进行比较,确定本仿真分析中应用的标准(GB/T 6323.2—2014)和试验方法(开环试验方法),确定各试验方法中的特征物理量。
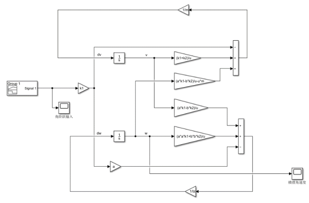
2)通过MATLAB/Simulink对二自由度汽车模型进行建模。为了便于理解汽车操纵稳定性的基本特性,需要简化数学模型,把多自由度模型化简为只有横摆角速度ωr和质心侧偏角β的两自由度模型。
3)对2)中建立的模型进行验证。
4)通过MATLAB建立的模型进行仿真计算。在不同的试验条件下,通过输入汽车的结构参数,比如汽车总质量,前后轮侧偏刚度等,仿真汽车在不同试验中的结果。
5)创建图形用户界面,对仿真结果进行分析。根据标准,对汽车操稳性进行综合打分评价。结合整车性能目标,通过更改汽车结构参数,分析其对整车操纵稳定性的影响。即进行灵敏度分析,找出对汽车操稳性影响较大的因素。通过仿真技术手段,最终确定可用于后期实车优化的指导方案。
6)更换车型数据,再次进行验证,检查模型及仿真过程的正确性。
7)对所设计的方法进行合理性分析与评价。
8)完成毕业论文的撰写,准备毕业答辩。
二、已完成工作
1.查阅文献,翻译外文文献。通过对现有的国内外汽车操纵稳定性试验方法和标准进行比较,确定本仿真分析中应用的标准(GB/T 6323.2—2014)和试验方法(开环试验方法),确定各试验方法中的特征物理量。


2.学习MATLAB/Simulink软件操作方法。学习使用APP——Designer建立图形用户交互界面。通过MATLAB/Simulink对二自由度汽车模型进行建模。为了便于理解汽车操纵稳定性的基本特性,需要简化数学模型,把多自由度模型化简为只有横摆角速度ωr和质心侧偏角β的两自由度模型。


|
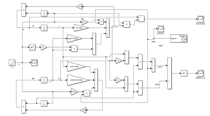
3.对2中建立的模型进行验证(图示为转向盘角阶跃输入下的稳态响应仿真图)。
4.通过MATLAB建立的模型进行仿真计算。在不同的试验条件下,通过输入汽车的结构参数,比如汽车总质量,前后轮侧偏刚度等,仿真汽车在不同试验中的结果。
5.创建图形用户界面,对仿真结果进行分析。根据标准,对汽车操稳性进行综合打分评价。同时对实验数据进行处理,计算不同试验下需要测量的不同特征物理量。

三、下一步工作计划
1.结合整车性能目标,通过更改汽车结构参数,分析其对整车操纵稳定性的影响。即进行灵敏度分析,找出对汽车操稳性影响较大的因素。通过仿真技术手段,最终确定可用于后期实车优化的指导方案。该项工作用时约一周。
2.更换车型数据,再次进行验证,检查模型及仿真过程的正确性。该项工作用时约一周。
3.对所设计的方法进行合理性分析与评价。该项工作用时约3——5天。
4.完成毕业论文的撰写,准备毕业答辩。该项工作用时约两周。

问题一:感觉你前期工作做的比较丰富,那么在这个过程中你感到最有成就感的是哪个部分? 或者说你做的和之前的研究相比,有什么不同的地方?
回题答:在做毕业论文的过程中,我查阅了很多资料和已有的一些成果。发现他们大都只停留在建模仿真阶段,并没有将仿真的结果直观的体现,而且对汽车操稳性的评价往往只关注某个试验或某两个试验,评价方法不是很全面。我的毕业设计弥补了这一点不足之处,不仅通过Matlab/simulink进行了四个试验的仿真,而且通过APP-Designer建立了图形用户交互界面,使仿真结果通过某些特征物理量或分数得到了直观的体现。

毕业论文的进展过程总是有很多曲折和困难,在稍有眉目时往往会碰到棘手的问题,在一筹莫展时总是会有新的转机。在前期的工作中,我整体把握了汽车操纵稳定性的试验方法,学习了使用Matlab/simulink进行建模的方法,使用软件进行了初步的建模和检验、仿真工作,对实验数据进行了时域到频域的变换、去除开始段的波动数据等处理。在这个过程中学到了很多,也提高了自己提出问题解决问题的能力。
在毕业论文的推进过程中,我有以下三点收获与体会,想与大家共享:
1.在学习软件使用时,要敢于尝试,不能“纸上谈兵”。要多编程,多试验,多仿真运行。同时,要利用好Help文件进行学习,这是最官方权威的学习文件。
2.做的过程中要不停思考:为什么会这样?怎样能达到我想要的结果?单位等细节是否注意了?在验证自己的模型是否正确时,可以多换几组数据进行测试,因为很可能自己的模型对这一组数据可行,另一组数据就无法实现,鲁棒性不佳。如果出现仿真图像或计算数据有问题的情况,要沉下心来仔细检查,学会寻找问题并解决问题。
3.毕业设计解决的问题与以往上课解题不同,它是一个更综合的问题,可能涉及到高等数学、控制工程、测试技术等多方面的知识。在做的过程中要及时复习学过的知识,不能模棱两可。需要明确了解自己所做每一步的原因。
在此特别感谢我的指导老师刘平老师,在我刚开始对题目只有大概思路,细节并不完善时,帮助我细化了整个任务流程,使我明白“我要做什么”这个问题。在每次我遇到难以解决的问题,向老师求助时,他都能帮助我一起分析,提出建设性的意见,指导我下一步的方向。再次对刘平老师的悉心指导表示诚挚的感谢!
