【机情无限 精彩毕设】机械2022届毕业设计(论文)中期检查优秀案例分享第十三期
面向汽车传感的纳米摩擦集能器设计与分析
学生姓名:王涛
班 级:车辆2018-01班
指导教师:刘伟群
毕设题目:面向汽车传感的纳米摩擦集能器设计与分析


一、概况
1.选题意义
随着中国经济与中国科技的飞速发展,人们对新能源汽车的关注越来越大,电动汽车被推上世界的舞台。与传统汽车相对比,电动汽车在行驶过程中的产物是水,会大大降低传统汽车所带来的环境污染问题。电动汽车可以将各种能源转化为电能供给汽车使用,其整体利用率高于传统汽车。不论是在减少噪声还是减少污染上,电动汽车都具有传统汽车无法比拟的优势。但是,电动汽车的续航里程段、充电时间长一直都是备受关注的问题,电动汽车的配套设施并不完善,这些问题阻碍了电动汽车的发展。
对于眼下热门的无人驾驶汽车,需要装配的传感器数量非常之大,因此能够解决分担电池续航压力的新能源技术的研究亟待开展。
在现有情况下,针对这一问题,基于纳米摩擦集能技术对汽车振动能量的回收进行研究,增加汽车的续航里程。根据汽车行驶过程中的车桥振动激励特性,设计相应的纳米摩擦振动集能器,以获得优化的能量获取。当恰当设计时,纳米摩擦集能器的能量输出能够很好的满足传感器的需求,辅助或替换电池作为车辆传感的能源。
2.任务分解
第一部分 了解纳米摩擦集能器的相关知识 ( 2 周)
第二部分 对车辆振动的力学激励进行分析 ( 3 周)
第三部分 设计纳米摩擦集能器、CAD制图与数学建模 ( 4 周)
第四部分 优化集能器参数,并进行仿真 ( 4 周)
第五部分 撰写毕业论文,准备答辩 ( 3 周)
截止到中期答辩以前,论文进度已经进入第四部分,完成了集能的初步仿真。
二、已完成工作
(一)文献阅读与翻译
查阅了大量中英文文献,了解了纳米摩擦集能器的相关知识,并完成两篇英文文献翻译,总计1万8千字。
[1] Meng X , Qian C , Jiang X , et al. Triboelectric Nanogenerator as a Highly Sensitive Self-Powered Sensor for Driver Behavior Monitoring[J]. Nano Energy, 2018, 51:721-727.《摩擦电纳米发电机作为一种用于驾驶员行为监测的高灵敏度自供电传感器》
[2] Garcia C , Trendafilova I , Del Rio J S . Detection and measurement of impacts in composite structures using a self-powered triboelectric sensor[J]. Nano Energy, 2018.《使用自供电摩擦电传感器检测和测量复合材料结构中的碰撞》
(二)纳米摩擦发电机的相关原理
根据 TENG (摩擦纳米发电机)极性变化的方向和电极结构,到目前为止摩擦纳米发电机已开发出四种工作模式,如图1所示。
图1 TENG的四种基本工作模式
本次设计采用垂直接触-分离模式,这种模式最为常用,通常应用在设备的振动、海浪的波动以及人体的运动上。
(三)纳米摩擦集能器的结构方案设计
采用悬臂梁结构采集共振能量,solidworks中建模如图。

图2 正视图

图3 轴测图
(四)分析汽车行驶过程中轮胎的加速度激励
下面是汽车行驶过程中,轮胎Y方向振动的加速度频谱图(城郊工况)

图4 汽车行驶中轮胎Y方向振动的加速度频谱图(城郊工况)
将图4的fig文件导入matlab进行处理,提取数据并重新绘图,处理后的结果如图。

图5 处理后的汽车轮胎Y方向振动的加速度频谱图(城郊工况)
从图中可以看出加速度激励幅值最大的频率点为
,当所设计的发电机的固有频率与之相匹配时,发电机会发生共振,实现最佳的能量收集。
(五)设计纳米摩擦集能器
通过workbench对悬臂梁进行模态分析,经过不断调整模型的几何尺寸,最终实现了固有频率与外界加速度频率接近。

图6 模态分析

图7 固有振型(1阶)

图8 悬臂梁的固有频率(1-6阶模态)
经由模态分析得到所需的固有频率后,悬臂梁的各结构尺寸都已确定,那么悬臂梁的各力学参数也已确定,因此通过静力学分析便可得到其力学参数的具体数值,本文所列的振动方程中的刚度k便是通过此方法确定。
图9 静力学分析

图10 外力作用下悬臂梁的变形

图11 外力与悬臂梁右端位移关系图

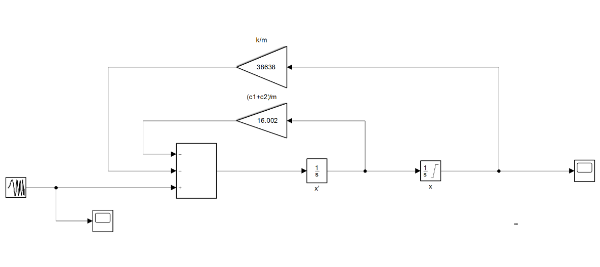
(六)simulink仿真分析
振动与集能公式:
为便于建模,将公式变换一下形式:
simulink扫频分析:

图12 扫频信号模块设置

图13 simulink建立的扫频模型

图14 扫频信号位移响应

图15 扫频信号位移响应图中特征数据
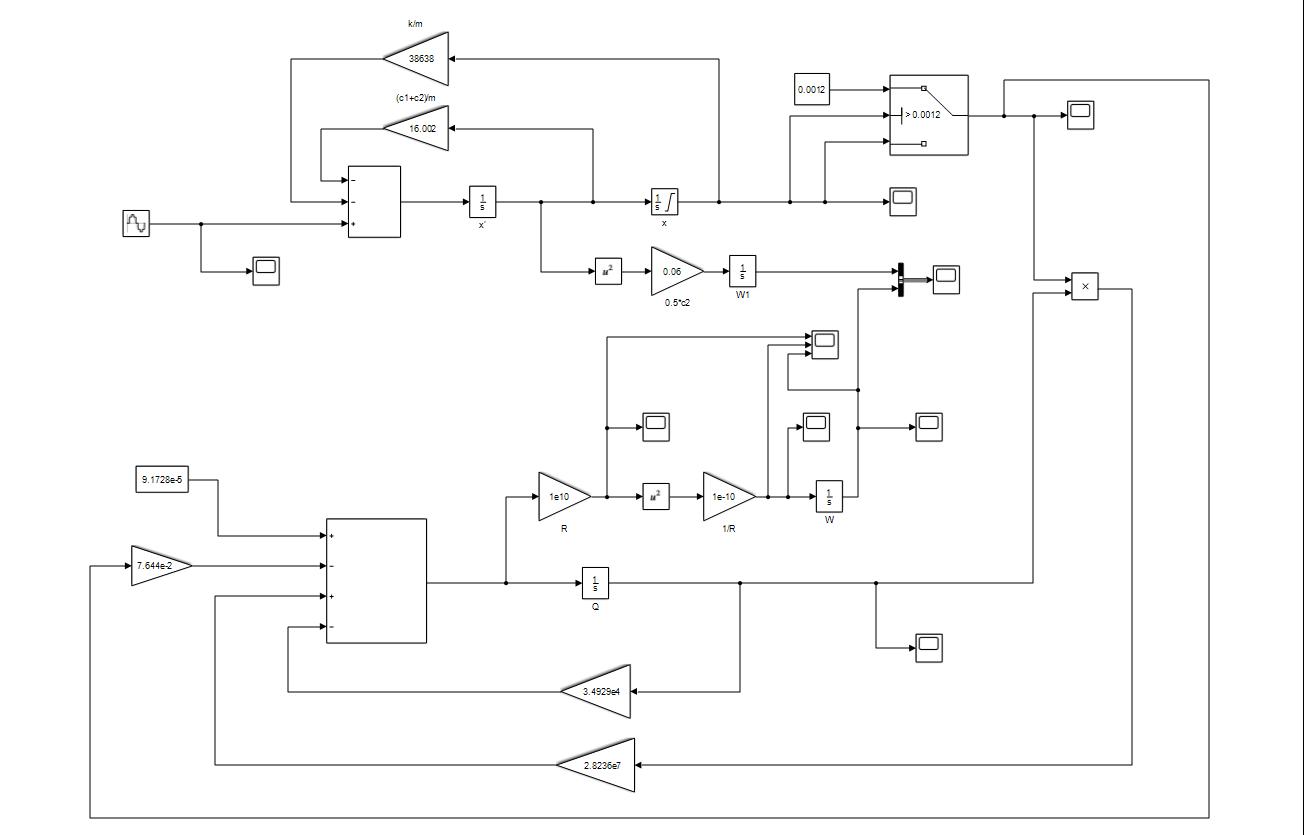
加速度激励仿真分析:
在经过扫频信号分析后确定该模型建立正确,接下来将直接输入加速度激励观察位移响应和电压输出,同时分析该模型瞬时功率的大小,以及在一定时间内收集能量的大小。

图16 simulink建立的模型

图17 悬臂梁位移响应

图18 悬臂梁输出电压
图19 悬臂梁瞬时功率

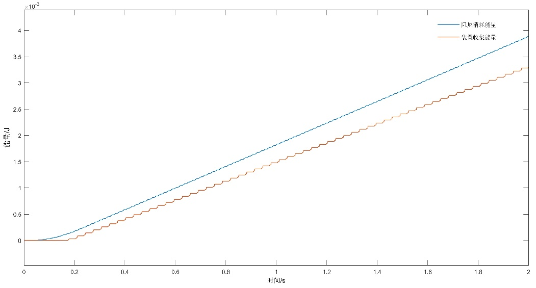
图20 悬臂梁收集的电能

图21 摩擦阻尼消耗能量与装置收集能量
以上数据测试的是在加速度激励持续输入2s时的各个响应,且此时使用的加速度激励为正弦信号模块产生的正弦信号,因此接下来的工作是处理汽车行驶过程中轮胎加速度激励的相关数据,使用实际工况下的加速度激励来进行仿真,得出集电器的性能。
三、下一步工作计划
1.对装置集能性能进行优化,例如通过改变外接电阻大小、改变摩擦对间距等方式来获得最大能量。
2.找到合适的评价方法,以对集能器的性能进行评价及参数修改。
3.完善纳米摩擦集能器的三维建模,包括外壳建模,以及整体渲染和图纸绘制等。
4.对毕业论文要用到的图表美化,并撰写毕业论文。

问题一:如何处理摩擦对粘合过程中,共振部分结构能量损失在单自由度振动系统公式中的体现?
回答:摩擦对粘合对于悬臂梁这一单自由度振动系统来说也是一种阻尼消耗,所以为区别于系统阻尼系数
,将这一阻尼系数设为
,大小初步取
近似值。
问题二:如何评价摩擦对粘合产生的阻尼系数取值大小是否合理?
回答:通过两种方式来确定其取值大小合理性,第一种:在各参数确定后,在simulink中扫频分析,如果系统频率和与前面求解出的悬臂梁的固有频率基本吻合,可以认为
取值合理;第二种:在simulink中仿真完成后,比较摩擦对粘合产生阻尼消耗的能量多于集能器收集的能量,则可以认为阻尼系数
取值合理。

通过这几个月的毕设工作,我的心路历程从一开始认为的毕业设计只是对本科学习的总结与运用,转变为现在的毕设其实也是对我能力的提高。在本次毕业设计工作过程中,不仅结合了以前学过单自由度振动系统、三维建模与制图以及有限元分析等知识,还学习并运用了例如simulink系统建模与仿真等新的知识。学无止境,学到新的知识总是一件令人快乐的事。所设计的面向汽车的纳米摩擦集能器在这一过程中,从零到有,成就感十足。当然,经过这次答辩,我也意识到当前所设计的纳米摩擦集能器还有很多不足,在接下来的学习中将根据自己发现的问题以及老师给出的意见与建议,努力去完善集能器最终的设计,期望能有一个较好的性能。
同时非常地感谢刘伟群老师,不管是每次组会答疑还是平时线上提问,刘老师总是非常耐心地回答每一个问题,并且给出了许多建议,讲解思路非常的清晰,在我毕设顺利进行的路上指明了方向。
在接下来几周的时间里,我将更加认真地完成剩下的毕业设计工作,希望能在本科学习生活的最后阶段里交上一份圆满的答卷。